
Врезной замок с накидным ригелем.
Подходит для металлических шкафов (почтовые ящики, шкафчики для одежды, аптечки, электрощитки и т.д.).
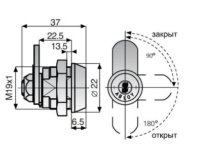
• Максимальная толщина двери 13,5 мм;
• Ключ вынимается только в закрытом положении;
• Цилиндры C, B, T или N с 11 дисками;
• Возможно левостороненнее исполнение;
• Накидной ригель заказывается отдельно;
• При заказе указать угол поворота ригеля (90° или 180°);
• Гнездо цилиндра из латуни


